RU
EN
ESP
DE
Главная
Приемно-контрольные приборы
Астра-812 Pro
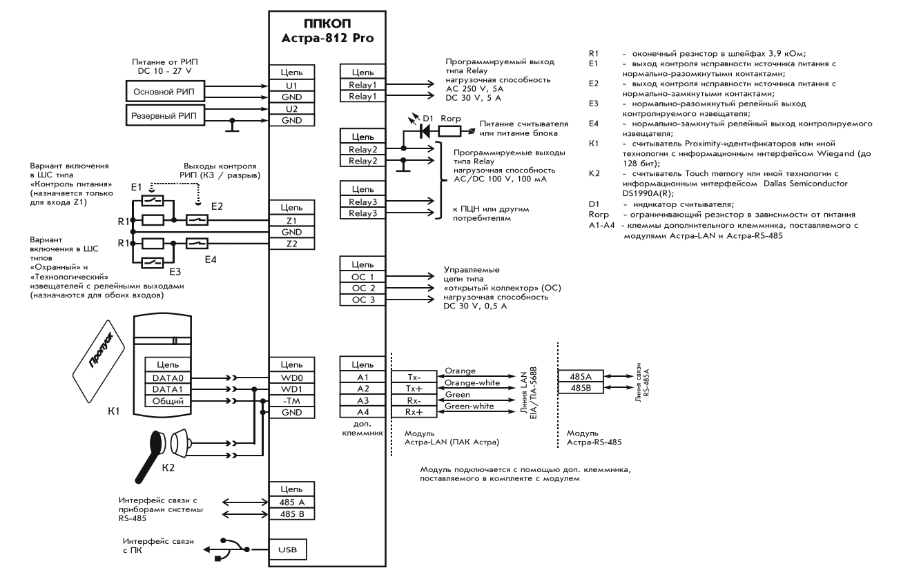
Обобщенная схема проводных соединений для ППКОП Астра-812Pro версии ПО 5.5 и выше
Астра-812 Pro
Инструкция пользователя ППКУП Астра-812Pro
Регистрация извещателей в «Режиме 1» («старый» РК) в ППКУП Астра-812Pro версии 5.6
Организация тревожной сигнализации на большом объекте.
Регистрация Астра-РИ-М РР (РТР) по радиоканалу в ППКОП Астра-812Pro
Регистрация Астра-РИ-М РР (системный) по RS-485 в ППКОП Астра-812Pro
Смена ПО Астра-РИ-М РР автономный (4.1/5.3) на системный (5.5/5.5) и выбор режима работы для регистрации в ППКОП.
Обобщенная схема проводных соединений для ППКОП Астра-812Pro версии ПО 5.5 и выше
Регистрация извещателей в «Режиме 1» («старый» РК) в ППКОП Астра-812Pro версии 5.3.
Настройка даты и времени с клавиатуры Астра-812Pro
Регистрация извещателей в «Режиме 1» («старый» РК) и «Режиме 2» («новый» РК) в ППКОП Астра-812Pro версии 5.3 и радиорасширитель Астра-РИ-М РР версии 3.2
Регистрация РТР и извещателей, работающих в "старом" режиме РК (Режим 1) в ППКОП Астра-812Pro версий 5.2/5.3/5.5/5.6.
Регистрация оповещателя охранного комбинированного радиоканального Астра-2331.
Регистрация блока реле радиоканального Астра-8731.
Монтаж и запуск оборудования на объекте
Управление разделами системы с клавиатуры Астра-812Pro с полномочиями "Оператора".
Управление разделами системы с через меню с полномочиями Пользователя
Информативность оповещателя Астра-2331
Пиктограммы(значки) на дисплее Астра-812 Pro
Кнопки быстрого доступа Астра-812Pro версии ПО 5.1 и выше
Индикация центральных ППКОП Астра-812 Pro и Астра-8945 Pro
Схема проводных соединений Астра-812 Pro версии ПО 3.2-5.3
Настройка трансляции событий с ППКОП серии Про на облако ПАК Астра.
Способы улучшения уровня связи для радиоустройств.
Профили Астра-812 Pro
Настройка модулей коммуникации GSM и LAN