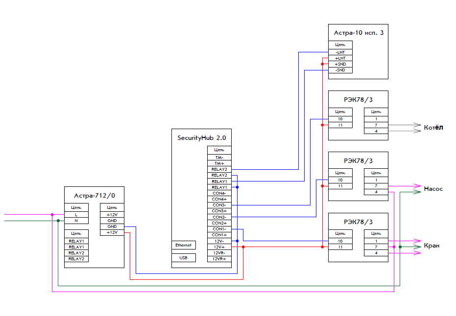
Техническое решение по управлению нагрузкой без использования Астра-8231

 

РЭК78/3 реле промежуточное. Документация на реле прикреплена к статье.

 

DOC014431522.pdf
Предпросмотр Загрузить