Conexión y registro del botón de pánico Astra-321 al Security Hub

Diagrama de conexión

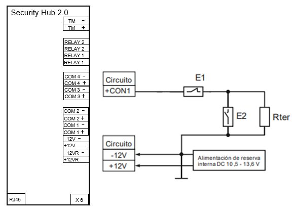
Fig. 1

En la incorporación del botón de pánico, realizar la fijación de cables conducidos de acuerdo al diagrama expuesto en la Fig. 1.

E1 - detector con contactos normalmente cerrados (de seguridad, intrución, tecnológico)

E2 - detector con contactos normalmente abiertos (seguridad, alarma, tecnológico) Rter - resistencia terminal 3.9 kOhm


Nota. Para su registro y configuración del escenario en la aplicación Security Hub, siga los pasos en el apartado 2 y 3 de esta documentación.


Tomar las medidas de precaución en relacion a las especificaciones / caracteristicas del fabricante de los dispositivos a instalar.

 

Registro del bóton de pánico en la aplicación movil de Android / iOS

- Creación de la partición

En la pantalla principal, haga clic en "+"

Seleccione “Partición"

Elige el controlador necesario

Fig. 2 Fig. 3 Fig. 4

 

Ingrese un nombre para la partición, seleccione el tipo y presione “Agregar

Partición agregada, presione “OK

 
 
Fig. 5 Fig. 6  

 

- Registro del botón de pánico

En la pantalla principal, haga clic en "+"

Seleccione “Zona

Seleccione el Security hub

Fig. 7 Fig. 8 Fig. 9

 

Ingrese el número de terminal de la bornera y presione “Siguiente

(“1” corresponde a la terminal “CON 1+”, y “4” corresponderá al terminales “CON 4+”)

Seleccione el tipo de detector y tipo de alarma

Seleccione  “Alarma manual

Fig. 10 Fig. 11 Fig. 12

 

Presione “Siguiente

Ingrese un nombre para la zona, seleccione la partición y presione    “Agregar

Seleccione  “Finalizar

Fig. 13 Fig. 14 Fig. 15

 

Para la visualizar el detector creado presione “Dispositivos

   
   
Fig. 16