Интеграция с приборами "Протон" производства НПО Центр-Протон

Поддержка беспроводных устройств “Астра” реализована в приборах “Протон-4”, “Протон-4G”, "Протон-4KG", "Протон-4М с ИП" и "Протон-HUB" при помощи радиорасширителей “Астра-Z РР” и “Астра-РИ-М РР / РРП” в системном режиме в качестве расширителя беспроводных зон.
 

Возможности:

- подключение до 4-х РР к центральному ППКОП;

- информационный обмен с ППКОП по интерфейсу RS-485;

- регистрация до 48 радиоустройств на каждый РР, всего до 192 устройств разного типа;

- поддержка ретрансляции (Для системы РИ-М с одним уровнем ретрансляции, для системы Zитадель до 16 ступеней).

- возможность одновременной работы системы РИ-М и Zитадель

 

Особенности подключения радиорасширителя Астра-РИ-М РР.
Радиорасширитель Астра-РИ-М РР может работать в двух режимах “автономном” и “системном”. С завода радиорасширитель поставляется с установленным “автономным” режимом. Для подключения к прибору необходимо сменить режим работы радиорасширителя на “системный”. Изменение режима производится с помощью программы "Модуль смены ПО". Программу и рекомендации по выбору прошивок можно найти по ссылке 

Если после перепрошивки в конфигураторе связь с радиорасширителем РР не обнаруживается то необходимо повторить процедуру прошивки и сбросить РР на заводские установки по инструкции или по видео

 

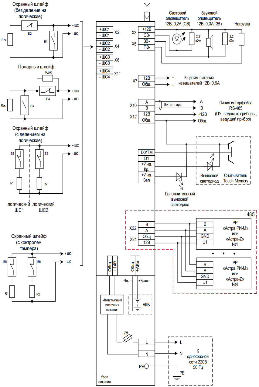
Схема подключения на примере УОО Протон-4G:

рис. 1

 

Порядок регистрации радиорасширителя РР и датчиков:

1) При отключенном питании устройства выполнить подключение РР согласно схеме подключения (рисунок 1);

2) Включить питание устройства;

3) Подключить USB прибора УОО к компьютеру;


ПРИМЕЧАНИЕ!

Важно сначала ввести приборы УОО и РР в рабочий режим, подав на них питание, а потом уже подключать USB для программирования.


4) Запустить программу "Программатор объектовых устройств Протон и Радиус" на ПК, подключится к прибору и зайти на вкладку "Астра";

рис. 2

5) Регистрация РР производится нажатием кнопки «Зарегистрировать» (РПУ1-4). РР, подключенный к устройству, будет зарегистрирован. При необходимости изменить литеру и время контроля канала (ВКК).(рисунок 3).

рис. 3

ПРИМЕЧАНИЕ!

При регистрации более одного РР необходимо подключать каждый регистрируемый РР по одному.


6) Для регистрации датчика нажать на кнопку «Зарегистрировать» (датчик) и перевести датчик в режим регистрации (включением питания датчика), брелком «Астра 942» (см. в РЭ на датчик).

рис. 4

7) Дождаться сообщения об успешной регистрации датчика.
8) Зарегистрированный датчик появится в списке (рисунок 5).

рис. 5

9) Таким же образом зарегистрировать другие датчики
10) Сопоставить («привязать») каждому датчику (по всем РР) логический номер ШС.
11) Для регистрации следующего РР необходимо отключить питание устройства, отключить запрограммированный РПУ и подключить новый, регистрируемый, затем
выполнить программирование этого РР по методике, приведенной выше.
12) По окончании программирования всех РР и датчиков записать конфигурацию в устройство.


Конфигурирование брелка Астра-РИ-М РПДК (брелок КТСУ) для использования его для взятий/снятий.
Конфигурирование производится в следующем порядке:
1) зарегистрировать брелок КТСУ в РИ-М РР;
2) во вкладке «Астра. Брелок КТСУ» Программатора:
- включить функцию «Разрешить взятие/снятие от брелка Астра КТСУ»;
- установить необходимое значение (номер) параметра «Тип взятия\снятия» (номер не
должен превышать значение 7 при работе по протоколу «RPI» или «RRD»);
- установить необходимое значение параметра «Задержка на выход».
3) во вкладке «Астра. Привязка датчиков» Программатора:
- сопоставить брелку (датчику) КТСУ номер пользователя;
- если брелок будет использоваться как тревожная кнопка, сопоставить брелку
необходимый ШС.

 

Работа через ретранслятор (для «Астра-РИ-М РР»):

- прошить РР в системный

- перевести в режим ретранслятора

- зарегистрировать ретранслятор (аналогично регистрации датчика);
- при регистрации датчика выбрать номер ретранслятора;
- зарегистрировать датчик.

 

Параметры вкладки «Астра. Состояние системы». На рисунке 5 показан внешний вид вкладки «Астра. Состояние системы» программатора. В этом окне программатора производится регистрация РР, датчиков и просмотр их текущего состояния.

Для РР отображается следующая информация:
«Помеха» - Наличие или отсутствие помехи в радиоканале связи между беспроводными датчиками и РПУ «Астра-РИ-М»:
- зеленый цвет – отсутствие помехи в канале;
- красный цвет – наличие помехи в канале.
«Питание» - Состояние питания РПУ:
- зеленый цвет – напряжение питания РПУ в норме;
- красный цвет – пониженное напряжение питания РПУ.
«Корпус» - Состояние корпуса РПУ:
- зеленый цвет – корпус РПУ закрыт;
- красный цвет – корпус РПУ вскрыт.
«Литера» - Текущее значение литеры. Параметр доступен для редактирования, возможные значения от 1 до 3.
«ВКК» - Время контроля канала связи с датчиками. Параметр доступен для редактирования, возможные значения: Выкл., от 5 до 20 минут.
Регистрация РР в систему производится нажатием кнопки «Зарегистрировать». В зарегистрированное РР необходимо зарегистрировать датчики нажатием кнопки «Зарегистрировать» в строке «Датчик».
Удаление РПУ из состава системы производится нажатием кнопки «Удалить». При удалении РПУ из его памяти удаляются все датчики, зарегистрированные в нем.
Редактирование параметров доступно после нажатия на кнопку  рядом с соответствующим параметром.

Для датчиков отображается следующая информация:
«Тип датчика» - Отображается тип датчика (ИК, СМК, АК и др).
«Тревога»:
- красный цвет – тревога, зарегистрированная датчиком;
- зеленый цвет – норма.
«Питание»:
- красный цвет – неисправность питания;
- зеленый цвет – норма.
«Корпус»:
- красный цвет – корпус датчика вскрыт;
- зеленый цвет – норма.
«Неисправность»:
- красный цвет – неисправность датчика;
- зеленый цвет – норма.
«Уровень сигнала» - Отображается уровень сигнала в баллах.
- фиолетовый цвет – потеря датчика
Удаление датчика производится нажатием на кнопку в столбце «Уровень сигнала/Удаление».

 

Параметры вкладки «Астра. Привязка датчиков».

На рисунке 6 показан внешний вид вкладки «Астра. Привязка датчиков» программатора.

рис. 6


В этом окне программатора представлена таблица, в которой производится сопоставление («привязка»):
- датчиков, зарегистрированных в РР (РПУ №1 – РПУ №4) с ШС и пользователями;
- РР (РПУ №1 – РПУ №4) с ШС. При возникновении в РР событий неисправностей, потерь связи с датчиками, аварии питания, такие события приведут к передаче сообщений (тревога, неисправность, восстановление) по ШС, который сопоставлен с РР.
На рисунке 7 приведены части таблицы, в которых производится сопоставление РПУ с ШС (часть №1) и датчиков с ШС (часть №2).
В столбце «Датчик» перечислены номера датчиков (максимальное количество возможных зарегистрированных датчиков в одном РР).
В столбце «ШС» (для каждого РР) выбирается сопоставление (привязка) зарегистрированного датчика определенному ШС устройства.
При этом:
1) ШС, сопоставленный датчику, должен иметь метод подключения «Извещатели Астра» (вкладка "Параметры ШС").
2) Одному ШС могут быть сопоставлены несколько датчиков.
В столбце «Пользователь» для каждого РПУ выбирается сопоставление датчика брелка Астра КТСУ пользователю, от номера которого будут осуществляться Взятия/снятия под охрану/снятия с охраны.


ПРИМЕЧАНИЯ:
- при использовании брелка Астра КТСУ для функции тревожной кнопки, необходимо произвести его сопоставление с требуемым номером ШС (рисунок 6, 7 или 8 столбец «ШС»);
- при использовании брелка Астра КТСУ для функции взятия под охрану/снятия с охраны, необходимо произвести его сопоставление с требуемым номером пользователя;
- при использовании брелка Астра КТСУ для функции тревожной кнопки и для функции взятия под охрану/снятия с охраны, необходимо произвести его сопоставление с требуемым номером ШС и номером пользователя.


рис. 7

Пример:

рис. 8


Параметры вкладки «Астра. Брелок КТСУ».

На рисунке 9 показан внешний вид вкладки «Астра. Брелок КТСУ» программатора.

рис. 9

В устройстве имеется возможность дистанционного взятия устройства под охрану и снятия с охраны с использованием радиоканального брелка РПДК Астра-РИ-М.
«Разрешить взятие/снятие от брелка Астра КТСУ». Включение или отключение функции дистанционного взятия и снятия устройства с охраны с брелка. Отключение функции взятия/снятия не влияет на работу функции тревожной кнопки брелка;
«Тип взятия/снятия». Редактируется номер типа взятия - набора ШС, которые будут взяты под охрану при взятии с брелка.
«Задержка на выход». Редактируется время, необходимое на выход при взятии с брелка.