Подключение проводной сирены через силовое реле

Схема подключения

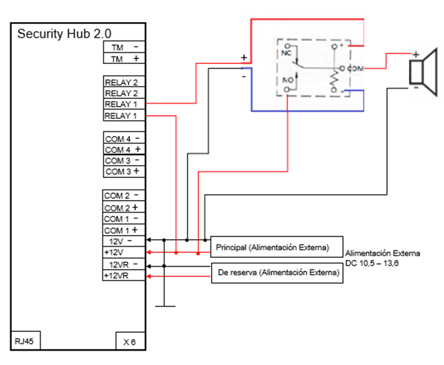
Выполните подключение по схеме, представленной на рис. 1. Состояние реле «НЗ» или «НО» определяется пользователем в соответствии с техническими характеристиками реле.
рис. 1

 

Настройка проводного реле и сценария производится по аналогии описанной в статье, указав номер выхода клемму "5" (согласно схеме подключения на рис.1) и выбрав подходящий сценарий "Сирена"